Removal of ISDN Terminal Directory Number
General
-
Prerequisites
Verify that the ISDN terminal interface is idle.
The directory number must not:
- possess extra functions
- be an answering position for a common abbreviated number
- be a common divertee position
- have a regional authorization code
If this is the case, it must be decided if a new directory number shall be initiated.
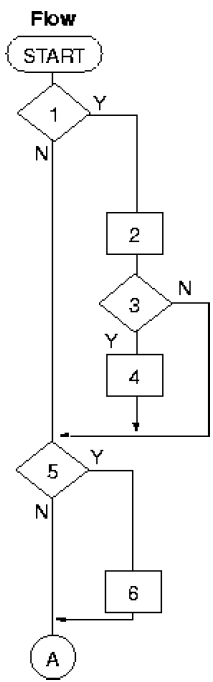
Execution
Measure/Question | Observation/Comment | ||
---|---|---|---|
1 |
Is the directory number a common divertee position? Key the command diversion -p for verification. |
See operational directions for CALL DIVERSION. |
|
2 |
Key the command diversion_common -e to remove the divertee position. |
||
3 |
New divertee position required? |
||
4 |
Key the command diversion_common -i to initiate a new divertee position. |
||
5 |
Key the command SPEXP to check if the directory number possesses any extra functions. |
See operational directions for SPECIAL PURPOSE EXTENSION. |
|
6 |
Key the command SPEXE to remove extra functions. |
Measure/Question | Observation/Comment | ||
---|---|---|---|
7 |
Key the command ADCDP to check if the directory number can be accessed with a common abbreviated number, that is, a complete number for any of the common abbreviated numbers? |
See the operational directions for ABBREVIATED DIALING. |
|
8 |
Key the command ADCOE to erase common abbreviated number. |
||
9 |
Is a new answering position required for this common abbreviated number? |
||
10 |
Key the command ADCOI to initiate a new common abbreviated number. |
Measure/Question | Observation/Comment | ||
---|---|---|---|
11 |
Does the directory number have regional authorization code? Key the command auth_code to check. |
See operational directions for AUTHORIZATION CODE FOR EXTENSION. |
|
12 |
Key the command auth_code to remove regional authorization code. |
||
13 |
Does the PBX posses call metering facility? |
||
14 |
Key the command CHICP to print the directory numbers’s call metering data. |
See operational directions for CHARGING. |
|
15 |
Key the command ITNUE to remove the DIR numbers from the previous position. |
||
16 |
Key the command ITDAP to verify the result. |
||
17 |
Does any interception computer exists? |
||
18 |
Update the directory information in interception computer. |
Consult the manual for the relevant interception computer. |